Pipe Gas Expander
Pipe gas expanders are designed to purify gas from dropping liquid and mechanical impurities, to trap liquid plugs formed in gas pipelines. They are part of the flare facilities of oil treatment plants and other surface facilities of oil and gas producing enterprises.
Characteristics
Part of the equipment
Pipe gas expanders are equipped with internal devices for trapping liquid plugs in the gas pipeline and stop valves.
Below is the product range and technical characteristics of the manufactured pipe gas expanders.
An example of a record when ordering products:
Gas pipe expander, where:
400 – conditional case diameter, mm;
HL1 - climatic version.
Technical details
| Options | Dimensions | |||||
| TGE-400 | TGE-500 | TGE-600 | TGE-800 | TGE-1000 | TGE-1400 | |
| Gas consumption (at a pressure of 0.05 MPa g), thousand Nm3/day | 60 | 110 | 175 | 250 | 455 | 710 |
| Expander body diameter, Dv, mm | 400 | 500 | 600 | 800 | 1000 | 1400 |
| Inlet/outlet pipe diameter, mm | 150 | 200 | 250 | 300 | 400 | 500 |
| Expander length, L, mm | 6000, 8000 | 8000 | ||||
| Estimated temperature of the body wall, ?С | up to +150 | |||||
| Design pressure, MPa | 0,6; 1,0; 1,6; 2,5; 4,0 | |||||
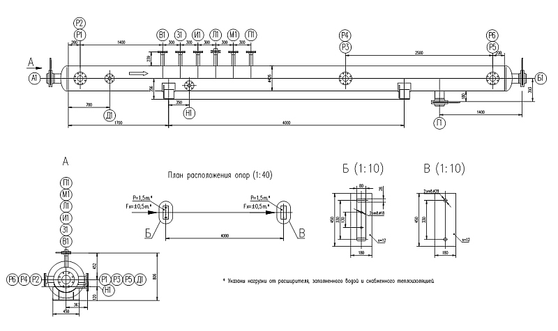
Pipe gas expander TGE-400HL1
| Explication fittings | |||||||
| Designation | Purpose | Device code | |||||
| GTE-400 | GTE-500 | GTE-600 | GTE-800 | GTE-1000 | GTE-1400 | ||
| Conditional passage, mm | |||||||
| A1 | Gas inlet | 150 | 200 | 250 | 300 | 400 | 500 or more |
| B1 | Gas outlet | 150 | 200 | 250 | 300 | 400 | 500 or more |
| V1 | Reserve | 50 | |||||
| G1 | For drainage | 150 | |||||
| D1 | For steaming | 50 | |||||
| Z1 | For thermometer | 50 | |||||
| I1 | For pressure gauge | 50 | |||||
| L;1 | For purge | 50 | |||||
| M1 | Reserve | 50 | |||||
| N1 | Reserve | 50 | |||||
| P1 | Reserve | 50 | |||||
| R1-Р6 | inspection hatch | 100 | |||||
Our Contacts
7072 Business Center, Al Shmookh Building UAQ Free Trade Zone, Umm Al Quwain, UAE