Oil and gas expanders
Oil and gas expanders are designed for preliminary removal of gas from the supply pipeline and trapping large mechanical impurities from the oil and gas mixture; they are part of oil treatment plants and installations of preliminary discharge of water .
Characteristics
Part of the equipment
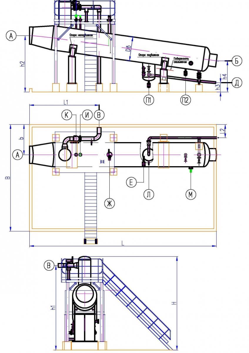
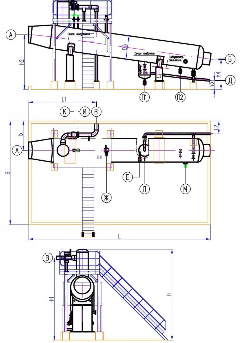
The oil and gas expander is supplied complete with piping, shut-off valves, instrumentation, supports, a service platform and a ladder for climbing to the platform.
The dimensions and volume of the oil and gas expander are determined depending on the desired performance, physical and chemical properties and the gas content of the oil.
The unit is collapsible and is delivered in 100% factory readiness.
Designation
Oil and gas expanders are being developed
and are made
An example of an entry when ordering products: Expander R-1400-1.6-10-U1, where:
1400 - conditional case diameter, mm;
1.6 – design pressure, MPa;
10 - well productivity in terms of liquid, thousand m/day.
10 – hull length, m.
U1 - climatic version.

* dimensions are determined during the development of working drawings
Part of the equipment
The oil and gas expander is supplied complete with piping, shut-off valves, instrumentation, supports, a service platform and a ladder for climbing to the platform.
The dimensions and volume of the oil and gas expander are determined depending on the desired performance, physical and chemical properties and the gas content of the oil.
The unit is collapsible and is delivered in 100% factory readiness.
Designation
Oil and gas expanders are being developed
and are made
An example of an entry when ordering products: Expander R-1400-1.6-10-U1, where:
1400 - conditional case diameter, mm;
1.6 – design pressure, MPa;
10 - well productivity in terms of liquid, thousand m/day.
10 – hull length, m.
U1 - climatic version.
Technical details
| Type | Р-700-5-1 | Р-1000-5-2,5 | Р-1400-6-5 | Р-1400-8-7,5 | Р-1400-10-15 | Р-1400-10-20 | Р-1400-10-25 |
| Working environment | oil well products (oil, gas, produced water) | ||||||
| Working environment | |||||||
| - by liquid m3/day | 1000 | 2500 | 5000 | 7500 | 15 000 | 20 000 | 25 000 |
| - by gas, nm3/day | 100 000 | 250 000 | 500 000 | 750 000 | 1 500 000 | 2 000 000 | 2 500 000 |
| Amount of exhaust gas, % of potential | 60 – 80 | ||||||
| Water content in oil, % mass | not limited | ||||||
| Design pressure, MPa | 1,6; 2,5 | ||||||
| Ambient temperature, 0C | -60 to +50 | ||||||
| Service life, not less, years | 20 | ||||||
Explication fittings
| Symbol | Purpose | Р-700-5-1 | Р-1000-5-2,5 | Р-1400-6-5 | Р-1400-8-7,5 | Р-1400-10-15 | Р-1400-10-20 | Р-1400-10-25 |
| Conditional passage, mm | ||||||||
| A | Input gas-liquid mixtures | 200 | 300 | 400 | 500 | 700 | 700 | 1000 |
| B | Output gas-liquid mixture | 200 | 250 | 300 | 400-500 | 500 | 500-700 | 700 |
| V | Gas outlet | 100 | 150 | 200 | 250 | 400 | 500 | 500 |
| D | Drainage | 100 | ||||||
| E | For washing fur. impurities | 50 | ||||||
| P1,2 | For steaming | 50 | ||||||
| Z | Sampler 3-point | 150 | ||||||
| I | Pressure meter | 150 | ||||||
| K | Pressure gauge | 50 | ||||||
| L | Sampler | 50 | ||||||
| M | Temperature sensor | 50 | ||||||
Parameters and dimensions of oil and gas expander blocks
| Device code | Productivity, m3/day | Case length, mm | Calc. pressure, MPa | Dv, mm | H, mm | L, mm | V, mm | b, mm | h1, mm | h2, мм | h3, мм | h4, мм | L1, мм | L2, мм | |
| in liquid by gas(n.s.) | |||||||||||||||
| Р-700-5 | 3 000 | 300 000 | 5 000 | 1,0 | 700 | 4500 | 6000 | 5700 | * | * | * | * | * | * | * |
| 1,6 | |||||||||||||||
| 2,5 | |||||||||||||||
| Р-1000-5 | 6 000 | 600 000 | 5 000 | 1,0 | 1000 | 4800 | 6000 | 5700 | * | * | * | * | * | * | * |
| 1,6 | |||||||||||||||
| 2,5 | |||||||||||||||
| Р-1400-6 | 10 000 | 1 000 000 | 6 000 | 1,0 | 1400 | 5500 | 7000 | 6300 | 1800 | 5000 | 3300 | 560 | 1800 | 4100 | 780 |
| 1,6 | |||||||||||||||
| 2,5 | |||||||||||||||
| Р-1400-8 | 12 000 | 1 200 000 | 8 000 | 1,0 | 1400 | 5500 | 9000 | 6300 | 1800 | 5000 | 3300 | 560 | 1800 | 4100 | 780 |
| 1,6 | |||||||||||||||
| 2,5 | |||||||||||||||
| Р-1400-10 | 15 000 | 1 500 000 | 10 000 | 1,0 | 1400 | 5500 | 11000 | 6300 | 1800 | 5000 | 3300 | 560 | 1800 | 4100 | 780 |
| 1,6 | |||||||||||||||
| 2,5 | |||||||||||||||
* dimensions are determined during the development of working drawings
Our Contacts
7072 Business Center, Al Shmookh Building UAQ Free Trade Zone, Umm Al Quwain, UAE